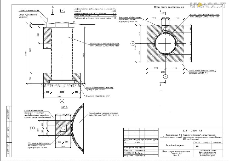
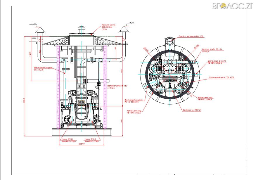
Для реконструкції трьох каналізаційно-насосних станцій у Житомирі КП “Житомирводоканал” хоче придбати насоси німецької фірми “Wilo”, на якій до призначення директором Водоканалу працював Андрій Нікітін. Інформацію про це містять документи, розміщені на сайті публічних закупівель “ProZorro”.
У проектній документації з реконструкції трьох каналізаційно-насосних станцій Житомира, яку пропонує підрядникам КП “Житомирводоканал”, передбачене устаткування німецької фірми “Wilo”. Примітно, що до призначення директором КП “Житомирводоканал” Андрій Нікітін працював менеджером з продажу котлів та насосів в українській філії згаданої фірми.
Роботи щодо реконструкції каналізаційно-насосної станцій обійдуться бюджету у понад 6 млн грн. Чим саме обумовлене використання устаткування саме цієї фірми – на комунальному підприємстві не пояснюють.

Нагадаємо, що у “Житомирводоканалі” відмовилися надати відповідь скільки насосів і якої фірми вони придбали з початку 2016 року, пославшись на комерційну таємницю. Під час пориву труб на Селецькій витекло води на 600 тис. грн, переконаний депутат Олександр Рибак.

















